微星 MAG B660M MORTAR WIFI DDR4 (MS-7D42) 端口使用说明

2025-08-06 16:04 栏目: 技术学堂 查看()

后置面板图.png


端口 1:外置Type-C

端口 2:主板灯效 MYSTIC LIGHT

端口 3:外置USB3.0插口插入USB2.0设备时使用此端口

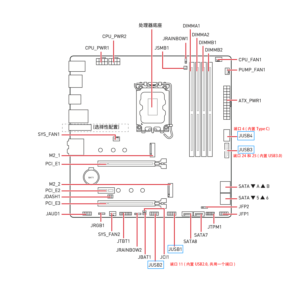
端口 4:内置Type-C

端口 5,6,7,8:外置USB2.0插口

端口 9:内置USB3.0插口插入USB2.0设备时使用此端口(主板外接线引出两个插口)

端口 10:内置USB3.0插口插入USB2.0设备时使用此端口(主板外接线引出两个插口)

端口 11:内置USB2.0(主板JUSB1和JUSB2共引出4个插口共用此端口)

端口 14:无线蓝牙

端口 18:外置3个USB3.0插口

端口 24:内置USB3.0引出两个插口其中一端口

端口 25:内置USB3.0引出两个插口其中一端口



主板分布.png

端口侦测.png

USB接口统计.png


UTBMap.kext.rar


扫二维码与项目经理沟通

我们在微信上24小时期待你的声音

解答本文疑问/技术咨询/运营咨询/技术建议/互联网交流

郑重申明:宁波优景摄影以外的任何单位或个人,不得使用该案例作为工作成果展示!